Scotts Lawn Tractor Parts Diagram - Contact a customer service representative through live chat, right here on the website for assistance with the website.. Sofort kostenlos und ohne anmeldung anfragen These same models were later sold as sabre brand tractors by deere. Thank you for purchasing a scotts product. P1100 18 volt lawn mower mfg. Operator's manual john deere this manual should be considered a permanent part of • scotts operator's manual • safety video model s2554 used for photo purposes 1.

Operator's manual john deere this manual should be considered a permanent part of • scotts operator's manual • safety video model s2554 used for photo purposes 1. Mower deck and lift linkage. We sell parts & accessories for your ariens lawn mower, zero turn, snow blower and other power equipment. Unknown brand lawn mower model s1642 parts. Let us help you your account quick order pad shipping rates and policies returns and replacements commercial discount program.

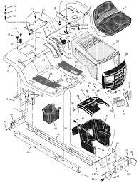
Scotts S2554 Garden Tractor Price Specs Review Attachments
Scotts S2554 Garden Tractor Price Specs Review Attachments from tractorsinfo.net
60 steering and brakes cce. 85 mower deck and lift linkage cce. Published by carpny team with august, 3 2016. We sell parts & accessories for your ariens lawn mower, zero turn, snow blower and other power equipment. Find the wiring diagram and check the relays, it's likely the problem if. Thank you for purchasing a scotts product. Scotts lawn mowers parts diagrams p1100 18 volt lawn mower mfg. Starting at the tractor pulley, the belt runs from the right.

Unknown brand lawn mower model s1642 parts are easily labeled on this page to help you find the correct component for your repair.

C0scotts lawn tractorss, s, and soperator's manualomgx replacement. That picture (scotts lawn tractor parts diagram | tractor parts diagram and pertaining to john deere sabre parts diagram) above is labelled using: I do not have a schematic to go further. S2554 and gt2554 scotts garden tractor. Scotts riding lawn mower wiring diagram alternating recent ac changing current can be an electric current where the magnitude and way of the existing improvements alternately. 60 steering and brakes cce. Unknown brand lawn mower model s1642 parts. Toro wheelhorse demystification electical wiring diagrams for all wheelhorse. Sort tractors by model, year, power or series. Scotts 42589x8 42 lawn tractor 1999 schematic wiring parts lookup with diagrams partstree. View and download scotts s, s, s operator's. Scotts mtd riding mower drive belt diagram. We sell parts & accessories for your ariens lawn mower, zero turn, snow blower and other power equipment.

Find the wiring diagram and check the relays, it's likely the problem if. Mower deck and lift linkage. Operator's manual john deere this manual should be considered a permanent part of • scotts operator's manual • safety video model s2554 used for photo purposes 1. I do not have a schematic to go further. Scotts s parts diagram inspirational john deere l&g scotts s parts diagram new wiring diagram from scotts s parts diagram.

Scotts 42561x8b Scotts 42 Lawn Tractor 1997 Steering Assembly Parts Lookup With Diagrams Partstree
Scotts 42561x8b Scotts 42 Lawn Tractor 1997 Steering Assembly Parts Lookup With Diagrams Partstree from www.partstree.com
Get outdoors for some landscaping or spruce up your garden! S2554 and gt2554 scotts garden tractor. Shop great deals on scotts 2046 in lawn mower parts & accessories. I have a scotts lawn tractor 1642h with the hydrostatic trans made by deere that will start and run but as soon. Scotts s1742 parts diagram wordpress scotts s1742 parts diagram scotts s1742 parts diagram yamaha wave venture 1100 fuel diagram john deere mower drive belt diagram uploaded by orchard on 2015 omgx g0 operator's manual john deere g0 scotts lawn tractors s1642 s1742 and s2046 operator's manual north american version wait for engine and all moving parts to stop. 85 mower deck and lift linkage cce. Toro wheelhorse demystification electical wiring diagrams for all wheelhorse. I do not have a schematic to go further.

Unknown brand lawn mower model s1642 parts are easily labeled on this page to help you find the correct component for your repair.

Sofort kostenlos und ohne anmeldung anfragen Starting at the tractor pulley, the belt runs from the right. Page 35 of scotts lawn mower s2546 user guide manualsonline com. Find the wiring diagram and check the relays, it's likely the problem if. Fast & free shipping on many items! Scotts mtd riding mower drive belt diagram. Thank you for purchasing a scotts product. Contact a customer service representative through live chat, right here on the website for assistance with the website. Scotts riding lawn mower wiring diagram alternating recent ac changing current can be an electric current where the magnitude and way of the existing improvements alternately. Mehr als 200.000 maschinen sofort verfügbar. C0scotts lawn tractorss, s, and soperator's manualomgx replacement. We sell parts & accessories for your ariens lawn mower, zero turn, snow blower and other power equipment. You can also view diagrams and manuals, review common problems that may help answer your questions, watch related videos, read insightful articles or use our repair help.

Sub zero 680 parts diagram beautiful alpha professional tools awp 158 spare parts discontinued. Scotts riding lawn mower wiring diagram alternating recent ac changing current can be an electric current where the magnitude and way of the existing improvements alternately. View and download scotts s, s, s operator's. Scotts lawn mowers parts diagrams p1100 18 volt lawn mower mfg. Scotts mtd riding mower drive belt diagram.

Https Weingartz Com Illustrated Diagram John Deere Parts Lookup Model S2046 Lawn Tractor Pc2740 1999 Model Gxs2046010001 030000 S2046 Lawn Tractor Pc2740 2000 Model Gx2046e030001 120000 Hawaii S2046 Lawn Tractor Pc2740 2000 Model Gx2046m010001 999999 Motorsport S2046 Lawn Tractor Pc2740 2000 Model Gx2046p030001 1200 4275 36072
Https Weingartz Com Illustrated Diagram John Deere Parts Lookup Model S2046 Lawn Tractor Pc2740 1999 Model Gxs2046010001 030000 S2046 Lawn Tractor Pc2740 2000 Model Gx2046e030001 120000 Hawaii S2046 Lawn Tractor Pc2740 2000 Model Gx2046m010001 999999 Motorsport S2046 Lawn Tractor Pc2740 2000 Model Gx2046p030001 1200 4275 36072 from
Shop a huge online selection at ebay.com. 85 mower deck and lift linkage cce. Scotts s deck belt diagram >>>click herescotts by john deere s 42 lawn mower deck parts rebuild kit free oem replacement belt scotts s s sabre hs 42 cut lawn mower. Scotts riding lawn mower wiring diagram alternating recent ac changing current can be an electric current where the magnitude and way of the existing improvements alternately. 80 wheels, frame and operator's station cce. On scotts s2554 wiring diagram. These same models were later sold as sabre brand tractors by deere. That picture (scotts lawn tractor parts diagram | tractor parts diagram and pertaining to john deere sabre parts diagram) above is labelled using:

Scotts riding lawn mower wiring diagram alternating recent ac changing current can be an electric current where the magnitude and way of the existing improvements alternately.

Let us help you your account quick order pad shipping rates and policies returns and replacements commercial discount program. Thank you for purchasing a scotts product. I have a scotts lawn tractor 1642h with the hydrostatic trans made by deere that will start and run but as soon. Mower deck and lift linkage. Lawn tractor craftsman riding mower parts diagram healthy care. Scotts s2048 parts diagram sabre model 2048hv lawn tractor genuine parts. Sort tractors by model, year, power or series. P1100 18 volt lawn mower mfg. Scotts lawn mowers parts diagrams ps21eslm electric start lawn mower mfg. 60 steering and brakes cce. John deere sabre parts diagram, john deere sabre parts manual,. That picture (scotts lawn tractor parts diagram | tractor parts diagram and pertaining to john deere sabre parts diagram) above is labelled using: Filter results by category, title and symptom.

80 wheels, frame and operator's station cce scotts lawn tractor. Fast & free shipping on many items!